
台稳T-WIN系列直线导轨、滑块主要以方轨为主,滑块分为四方形和法兰型两种。各类尺寸型号齐全。可提供技术支持。台稳系列线性滑块以获得多项产品研发专利,产品质量保证,应用广泛,性价比高。
方轨又细分为高组装直线导轨和低组装直线导轨,目前低组装常规型号有15/20/25mm等系列,长度根据需求截料或对接。
直线导轨装配:一般每支导轨配两块滑块,有时一支导轨也可配多个滑块,根据图纸要求即可。
四排滚珠高刚性等量均匀负载设计:
台稳T-WIN系列直线导轨滑块采用四排滚珠之设计钢珠于滑块与滑轨之间成4点45度角接触,可平衡抵消来自各方向滑块所受的力,不论滑轨呈任何角度装置,各方向之负载能力皆相等,广泛应用用各类机械制造传动部位,相较于哥德式二排沟设计,四排滚珠在高钢性、精度及寿命有较大优势。即使装配轨道基准面产生很大的偏差或组合出现误差,都能被系统自身消除掉,因而可获得快速而精密的直线运动。


LH高组装系列结构优点
(1)导轨与滑块通过钢球的循环滚动做相对运动。两端密封端盖和下密封可有效防止粉尘等异物进入滑块内部。通过油嘴对钢球循环轨道润滑,润滑充分方便。
(2)采用四列圆弧接触,运行平稳。接触角45°可承受上下左右四个方向的共同负荷,并且可以通过加减滑块的数量改变承受负荷的能力。
(3)直线导轨的摩擦方式为滚动摩擦,摩擦系数降低至滑动轨道的1/40,并且动摩擦力与静摩擦力的差距极小,故直线导轨随动性好,有益于提高数控系统的回应速度和灵敏度,能实现无间隙运动,具有较高的定位精度。
(4)直线导轨的摩擦阻力较小,润滑方便且效果优良,接触面磨耗低,因此精度、性能稳定持久。
(5)由于摩擦阻力小可使驱动功率缩小,机械结构缩小,从而实现设备的小型化、高速化、低能耗。
(6)直线导轨按一定的装配步骤安装于加工过的平面上,不需要刮研等特殊处理就可达到较高精度。导轨滑块具有互换性,更换方便并且不影响使用精度。
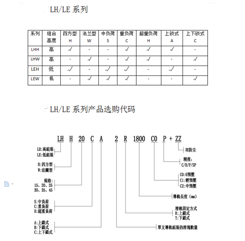
十五、LH高组装系列产品选购代码
十六、LH高组装系列尺寸
LHW系列线性滑轨
高组装法兰型LHW-CC/LHW-HC
型号 Reference | 安装尺寸 Mounting Dimension | 滑块尺寸 Bolck Dimension | ||||||||||||
高度 Height H | E | W2 | 宽度 Width W | 长度 Lengh L | 安装孔位 Mounting tab hole | L1 | T | 注油栓 Nipple | ||||||
BxJ | T2 | B1 | M | S | T1 | N | ||||||||
LHW15CC | 24 | 4.3 | 16 | 47 | 59 | 38x30 | 7 | 4.5 | M5 | M4 | 38.8 | 5.6 | 5 | 6 |
LHW20CC | 30 | 4.6 | 21.5 | 63 | 76.2 | 53x40 | 9.5 | 5 | M6 | M5 | 50.8 | 6.8 | 5.8 | 13.5 |
LHW20HC | 91.7 | 66.3 | ||||||||||||
LHW25CC | 36 | 8.2 | 23.5 | 70 | 83 | 57x45 | 12 | 6.5 | M8 | M6 | 58.8 | 8.5 | 5.3 | 13.5 |
LHW25HC | 102.5 | 78.3 | ||||||||||||
LHW30CC | 42 | 7 | 31 | 90 | 96.5 | 72x52 | 13.5 | 9 | M10 | M8 | 68.3 | 9.3 | 5.5 | 13.5 |
LHW30HC | 118.7 | 90.5 | ||||||||||||
LHW35CC | 48 | 7.5 | 33 | 100 | 110.3 | 82x62 | 18 | 9 | M10 | M8 | 79.3 | 9 | 9 | 13.5 |
LHW35HC | 135.8 | 104.8 | ||||||||||||
LHW45CC | 60 | 9.8 | 37.5 | 120 | 129.3 | 100x80 | 20 | 10 | M12 | M10 | 96.3 | 15.2 | 9 | 16.4 |
LHW45HC | 161 | 128 | ||||||||||||
LHW55CC | 70 | 13 | 43.5 | 140 | 167.8 | 116x95 | 26.5 | 12 | M14 | M12 | 117.8 | 17.3 | 11 | 16.4 |
LHW55HC | 202.9 | 155.9 | ||||||||||||
LHW65CC | 90 | 15 | 53.5 | 170 | 198.8 | 142x110 | 37.5 | 14 | M16 | M14 | 145.8 | 25 | 15 | 16.4 |
LHW65HC | 258.2 | 205.2 | ||||||||||||
LHW系列线性滑轨
高组装法兰型LHW-CC/LHW-HC
型号 Reference | 导轨尺寸 Rail Size | 承载能力 Load Capacity | 重量 Weight | |||||||||
宽度 Width W1 | 高度 Height H1 | 间距 Pitch P | 安装孔 Bolt Hole d x D x h | G | 动载荷 Dynamic C(KN) | 静载荷 Stationary Co(KN) | 容许静力矩 Stationary Moment(KN.m) | 滑块 Bearings (kg) | 导轨 Rail(kg/m) | |||
MR | MP | MY | ||||||||||
LHW15CC | 15 | 15 | 60 | 4.5x7.5x5.3 | 20 | 10.7 | 16.3 | 0.10 | 0.07 | 0.07 | 0.21 | 1.5 |
LHW20CC | 20 | 17.5 | 60 | 6x9.5x8.5 | 20 | 17.1 | 27.3 | 0.22 | 0.16 | 0.16 | 0.36 | 2.2 |
LHW20HC | 21.3 | 36 | 0.3 | 0.27 | 0.27 | 0.48 | ||||||
LHW25CC | 23 | 22 | 60 | 7x11x9 | 20 | 26.3 | 36.4 | 0.38 | 0.27 | 0.27 | 0.61 | 3.2 |
LHW25HC | 32.2 | 48.7 | 0.50 | 0.46 | 0.46 | 0.76 | ||||||
LHW30CC | 28 | 26 | 80 | 9x14x12 | 20 | 37.4 | 50.5 | 0.63 | 0.42 | 0.42 | 1.0 | 4.45 |
LHW30HC | 45.5 | 66.8 | 0.86 | 0.72 | 0.72 | 1.2 | ||||||
LHW35CC | 34 | 29 | 80 | 9x14x12 | 20 | 48.9 | 68.3 | 0.98 | 0.63 | 0.63 | 1.5 | 6.3 |
LHW35HC | 59.2 | 90.4 | 1.4 | 1.1 | 1.1 | 1.9 | ||||||
LHW45CC | 45 | 38 | 105 | 14x20x17 | 22.5 | 76.9 | 101.7 | 2.05 | 1.42 | 1.42 | 2.7 | 10.4 |
LHW45HC | 93.7 | 135.2 | 2.7 | 2.1 | 2.1 | 3.2 | ||||||
LHW55CC | 53 | 44 | 120 | 16x23x20 | 30 | 114.5 | 148.35 | 3.7 | 2.64 | 2.64 | 4.6 | 15.08 |
LHW55HC | 139.4 | 196.2 | 4.88 | 4.57 | 4.57 | 6.3 | ||||||
LHW65CC | 63 | 53 | 150 | 18x26x22 | 35 | 165.43 | 217.7 | 6.72 | 4.32 | 4.32 | 9.27 | 21.2 |
LHW65HC | 210.65 | 306.46 | 9.48 | 7.46 | 7.46 | 13.03 | ||||||

